主要经营安全夹头,安全卡盘,机械夹头,气胀轴
返回首页
|
联系我们
网站首页
关于我们
产品展示
客户案例
售后服务
新闻中心
联系我们
产品系列
Product Series
安全夹头系列
旋转式机械夹头系列
侧推式机械夹头系列
平推式安全夹头
板条式气胀轴系列
键式气胀轴系列
通条式气胀轴系列
机械式气胀轴系列
碳纤维气胀轴系列
滑差式气胀轴系列
气胀夹套系列
弧形辊系列
导辊系列
客户案例 Customer Case
产品展示
Product Display
侧推式机械夹头
发布日期:2016-08-08 编辑:David
【返回】
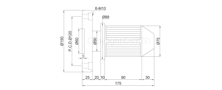
侧推式机械夹头
液压纸架最适合之侧推式夹头。 液压支臂移动侧推时,使扇形结构扩张固定料管并自动对心。 较大的接触面积,对料管无损伤。 多规格,高承重,免维护,长寿命,操作简便,减少繁重搬运而引起的风险。 侧推式机械夹头 技术参数 单位:mm
友情链接
Links
:
百度
中国机械网
中国机械设备网
全球机械网
中华机械网
包装机械网
安全夹头
电磁离合器
气胀轴
安全夹头系列
|
旋转式机械夹头系列
|
侧推式机械夹头系列
|
平推式安全夹头
|
板条式气胀轴系列
|
键式气胀轴系列
|
通条式气胀轴系列
联系电话:021-59796873 021-69213218 传真:021-59794972 021-69212939 上海堂奕电子有限公司 版权所有 Copyright 2016